Fly-Over
Ready for PTZs or Panoramic Box
Strong Poles has introduced a new, stylish “Fly-Over” Camera Mount that is designed to get the structure as far away from the camera as possible so that it blocks the least amount of camera view, while still being attractive and functional.
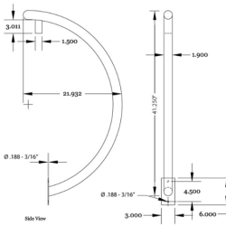
This Fly-Over Camera Mount is constructed out of sturdy 1 1/2 inch Aluminum Pipe (1.9″ OD), and is built strong enough to not only hold a heavy Pendant Mount PTZ Camera, but to also avoid shake from high winds. This design allows full 360 degree views with the tubing being far enough away that only a tiny slice of view is obstructed.
The threaded pipe at the top is a common pipe with 1-1/2” NPT threads that will fit almost any pendant mount camera or other pendant type mounts made by: Axis, Bosch, Vicon, Pelco, CBC/Ganz, Avigilon, etc.
This Fly-Over Camera Mount can also be combined with our Panoramic Camera Mount that threads onto the pipe and locks down with set screws (see the Panoramic Camera Mount page). The handy drop-down door on the Panoramic Camera Mount is 7” in diameter so that it will fit virtually any 180 degree or 360 degree panoramic camera on the market.
This Fly-Over Camera Mount can be attached to any Strong Pole or added to the 8X10 Mounting Platform (Birdhouse). When this mount is attached to a Strong Pole, there is 32-1/2”” of clearance between the pole top and the threaded pipe (see drawing). When it is attached to the 8X10 Mounting Platform (Birdhouse), there is 27” of clearance between the top of the Pyramid Cap on the birdhouse and the threaded pipe.
Bolt size 3/8″ & 1″ length.









